维多利亚老品牌vic3308

常州世维多利亚老品牌vic3308有限公司

常州世维多利亚老品牌vic3308有限公司

Changzhou World Expo Electric Co., Ltd.

13815052727
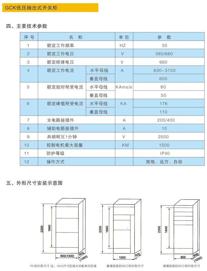
GCK低压抽出式开关柜
常州世维多利亚老品牌vic3308有限公司是设计制造崎岖压成套系列设备的生产型高新技术企业,公司位于常州港南侧,现在厂区建筑面积12000平方米,经过多年的开拓和生长已形陈规模生产。产品概述如下:FLN36,48-12型SF6负荷开关,XGN15-12型环网柜,XGN16-12型全绝缘开关柜, KYN28A-12中置柜,SF6-24KV负荷开关、XGN18-24环网柜,SMW16-24(12)型开闭所,DFW...
产品详情

GCK低压抽出式开关柜
维多利亚老品牌vic3308(中国)股份有限公司
维多利亚老品牌vic3308(中国)股份有限公司

相关产品

公司主要产品为石英晶体谐振器,其中焦点产品为种种型号的音叉晶体谐振器(含DIP、SMD)和SMD高频晶体谐振器。

网站地图